对于安装金属管浮子流量计的要求有哪些?
2022/2/28 9:11:26 点击:
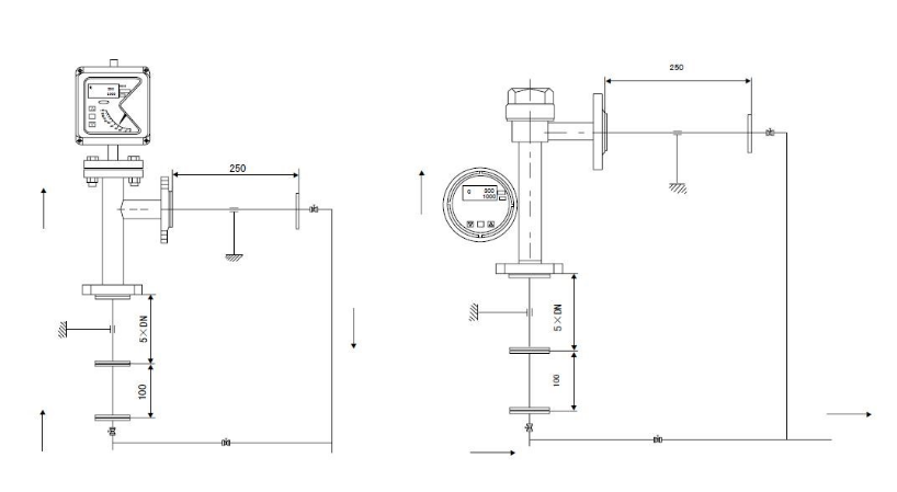
对于安装金属管浮子流量计的要求有:
1、设备到工艺管道之前,应对工艺管道进行吹扫或清洗,避免管道中杂质阻塞外表,影响正常运用;
3、设备流量计的位置应保证进口有≥5DN的直管段,出口不小于250mm;
4、流量计应垂直设备,介质流向向上,流量计中心线与铅垂线的夹角不超过5°;
5、为避免管道受压变形,流量计接口有必要与管道轴线对中并平行。必要时在流量计两边恰当支以避免颤动而且减轻流量计的轴向压力;
6、假如介质中含有固体或铁性杂质,应在流量计上游加装磁过滤器和滤网过滤器;
7、为了便于外表的维护和清洗,主张设备旁通管路;
8、为保证流量指示安稳,主张在流量计轻贱设备流量调节阀;
9、测控系统中的控制阀,应设备在流量计的轻贱,外表用于丈量时,应保证作业压力不低于5倍最大压损,以使流量计安稳正常作业;
10、金属管浮子流量计根据磁耦合原理作业,应保证外表周围其它设备发生的磁场不至影响外表的丈量。

- 上一篇:涡轮流量计对于安装直管段有哪些要求? 2022/2/28
- 下一篇:金属浮子流量计是如何进行作业的? 2022/2/28

